021 -2216 3350
info@bapj.co.id

Climate Meter PCE-330

Update Terakhir
Negara Asal
GERMANY
Pembelian minimum
1
Harga
Nego
Kategori
Minta Penawaran
Sharing:

Deskripsi produk

DESCRIPTION

PCE-330 Climate Meter
For determining ambient temperature, relative humidity and dew point temperature

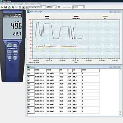
PCE-330 is a climate meter with a quick-response sensor for measuring ambient temperature and relative humidity. This multipurpose handheld device also determines dew point temperature. Equipped with an easy-to-read dual display, this multifunction data-logging indoor air quality (IAQ) meter features a large internal memory with storage for up to 16,000 recorded values. Using the included Windows-compatible software and USB cable, the recorded data can be transferred to a PC for further analysis.

PCE-330 is well suited for long-term IAQ monitoring and environmental data acquisition. This combination hygrometer / thermometer can be used to verify the integrity of the cold chain during the transport and warehousing of refrigerated food and pharmaceutical products. Compact and portable, this versatile meter is also ideal for evaluating the performance of heating, ventilation and air conditioning (HVAC) systems in industrial, commercial and residential properties.

HIGHLIGHTS

- Quick-response sensor measures temperature and relative humidity
- Adjustable temperature measuring units (°C / °F)
- Minimum, maximum, data hold, recording data logger and automatic power off functions
- Internal memory saves up to 16,000 date- and time-stamped readings
- Windows-compatible software and USB cable included in delivery contents for data transfer to PC
- Battery powered (optional AC power adapter available as an accessory)
- An ISO calibration certificate can be obtained for an additional fee (see accessories for details)

SPECIFICATION

Measuring range
Relative humidity 0 ... 100 % RH
Ambient temperature -20 ... 60°C / -4 ... 140°F
Measuring range
Dew point temperature -20 ... 60°C / -4 ... 140°F
Resolution
Temperature and humidity
Accuracy (at 23°C / 73.4°F) 0.1°C / 0.18°F
Relative humidity 10 ... 90% RH = ± 2.0% RH
< 10% RH, > 90% RH = ± 4.0% RH
Temperature -20 ... 60°C / -4 ... 140°F = ± 0.8°C / ± 1.5°F
Response time
Relative humidity 60 sec.
Temperature 10 sec.
Sensor hysteresis < 1.5% RH
Temperature coefficient 0.1 x (specific accuracy) per 1°C / 1.8°F
(< 23°C / 73.4°F or > 23°C / 73.4°F)
Internal memory up to 16,000 date- and time-stamped readings
Sample rate 2 times per second
Battery 1 x 9V battery
Battery life Approx. 80 hours (alkaline battery)
AC power adapter Optional, 9V DC / 7~10V max, 20-mA min.
Operating temperature 0 ... 40°C / 32 ... 104°F
Operating humidity 10 ... 90% RH
Storage temperature -10 ... 60 °C / 14 ... 140°F)
Storage humidity 10 ... 75% RH
Dimensions Meter: 185 x 65 x 36 mm / 7.28 x 2.56 x 1.42 in
Sensor: RP-32: 15 x 94 mm / 0.59 x 3.70 in
Weight Approx. 285 g / < 1 lb

DELIVERY SCOPE

1 x PCE-330 climate meter with sensor
1 x Battery
1 x USB cable
1 x CD-ROM with Windows-compatible software
1 x User manual

Produk Terkait

                                                                                      PT. Bopana Arga Prima Jaya

Office

Jl. Jupiter VI, Perum Bintang Metropol Blok A7 No.16 Bekasi Utara 17122 , Bekasi
Bekasi , Indonesia

Contact
021 -2216 3350
info@bapj.co.id
Share
apartmentenvelopebookmarkcarttagphone-handsetearthhistorymagnifiercross
× How can I help you?