JAN code : 4974425249503
Calibration : Available
JCSS Accredited Calibration : Not available
LB-100S is a remote sensing dial thermometer with 100-mm dial, and 6 different measuring ranges selectable from our inventory. Robust all-stainless steel body makes this thermometer an ultimate gadget for industry. This model is of 0 to 150°C.
■ A robust industrial temperature gauge to measure temperature of a distant place with liquid sensor.
■ Six different temperature range are in our stock to meet your purpose, while all LB-100S thermometers share the following specifications:
All stainless steel SUS304, dimensions of sensing stem 12 mm dia. x 100 mm, 1/2" PT screw.
■ Notice:
Order a temperature range which covers your target temperature with a safe margin. For example, order 0 to 150°C if the temperature is expected to be up to 100°C.
Order a protector pipe in addition in the following cases:
- The sensing stem receives pressure more than 5 kgf/cm2
- A target object is corrosive; however, there is a probability that the protector pipe made of stainless steel can not prevent corrosion, thus ask us for details
Ask us for details about make-to-order products, or if this product is located in a vibrating place.
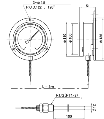
■ Drawing

| Cat. No. | 3000-15 |
| Product name | Remote Sensing Dial Thermometer for Wall Mount, 0 to 150°C |
| Model name | LB-100S |
| Measuring range | 0 to 150°C |
| Accuracy | ±2°C |
| Minimum scale | 2°C |
| Waterproofness | IPX1 drip-proof |
| Materials | Body: Stainless steel Window: Glass |
| Dimensions | Dial case/window: 110 mm/100 mm diameter Sensing stem: 12 mm dia. x 100 mm (L) Lead wire: 3 m (L) |
| Screw | 1/2" PT, strength 5 kgf/cm2 |
‘
‘
‘
Hubungi:
PT Bopana Arga Prima Jaya
Jalan Jupiter VI Perum Bintang Metropol
Blok A7 No.16 Bekasi Utara 17122
Jawa Barat, Indonesia
Telp : 021-22163350
Hp : 08119762505 / 081285345374
Email : boney@bapj.co.id / tesa@bapj.co.id